Specifications
Specifications
| Camera Head | ||
|---|---|---|
| Lens Mount | Nikon F-mount1) | |
| Image Sensor | FTCMOS2 image sensor | |
| Recording Speed2) (frame rate) |
HP mode | 10 Mfps, 5 Mfps (fixed) (fps = frames per second) |
| FP mode | 5 Mfps (fixed) | |
| Both modes | Variable recording speed between 60 fps and 2 Mfps (in 1/10 ns steps) | |
| Continuous Recording Capacity | HPmode | 256 frames max. |
| FP mode | 128 frames max. | |
| Resolution | HP mode | 50,000 pixels (zigzag lattice pixel array)3) |
| FP mode | 100,000 pixels (400 (horizontal) × 250 (vertical)) | |
| Color/Gradations | Monochrome, 10 bits4) | |
| Exposure Time5) | 10 Mfps (fixed at 50 ns), 5 Mfps (fixed at 110 ns) | |
| Variable in a 10 ns interval starting from 200 ns in a range from 60 fps to 2 Mfps | ||
| External Trigger Input | Two channels (TRIGIN, STANDBY) TTL level (5 V), capable of either positive or negative polarity | |
| Recording Mode | Internal trigger, external trigger, continuous trigger | |
| Synchronization Function | Capable of synchronized recording with two cameras connected | |
| Optional Outputs | Two channels (exposure start timing, trigger detection timing, or other outputs depending on settings) | |
| Trigger Point Setting | Can be set to any frame from the second frame onwards. | |
| Interface | One 1000 Base-T/100 Base-TX port | |
| External Monitor Output | NTSC/PAL output | |
| Data Memory Format | 10-bit dedicated format, BMP, AVI, JPEG, TIFF (8-bit and 16-bit formats supported) | |
| Power Supply Unit | ||
| Power Rating | Single phase 120 V/220-230 V, 200 VA, 50/60 Hz | |
| Required Specifications for the Control PC | ||
| Operating System | Windows 7/ 8.1 Professional (64-bit)6) | |
| CPU | Intel Core i5 or faster | |
| Memory | 4 GB or more | |
| HDD | 250 GB or more | |
| Screen Size | 1,366 × 768 or larger | |
| Interface | 1000 Base-T/100 Base-TX | |
| External Recording Device | DVD-RW | |
| Other Peripherals | Mouse and keyboard | |
| Environmental Conditions | ||
| Operating Temperature Range | 5 to 40 °C | |
| Operating Humidity Range | 35 to 75 % RH with no condensation | |
| Storage Temperature Range | 0 to 50 °C | |
| Storage Humidity Range | 20 to 80 % RH with no condensation | |
| Size and Weight | ||
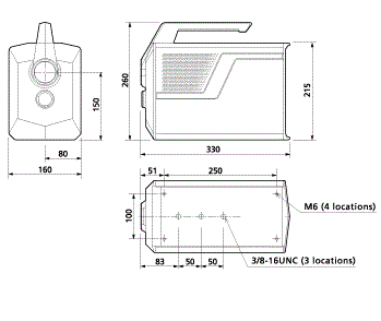
| Camera Head | W160 × D330 × H260 mm, approx. 6.4 kg | |
| Power Supply Unit | W150 × D392 × H185 mm, approx. 5.2 kg | |
| Length of Interface Cable Between Camera and Control Computer | Approx. 2 m | |
| Length of Cable Between Camera and Power Supply Unit | Approx. 2.8 m | |
Note 1:Shimadzu does not guarantee that all F-mount lenses can be attached.
Note 2:The recording speed is a reference value. It is not guaranteed to be an accurate value for the time interval
between recording frames.
Note 3:Stored images will be 400 pixels (horizontal) × 250 pixels (vertical).
Note 4:10-bit refers to the data format. It does not indicate a guarantee of data precision.
Note 5:These exposure times are rough indications and are not guaranteed as exact exposure time ratios for all
recording speeds.
Note 6:Windows is a registered trademark of Microsoft Corporation in the USA and other countries.
Note 7:The FTCMOS2 image sensor used in this camera is manufactured using high accuracy technology, but
defective pixels may exist. Note that this is not a defect or failure of the product.
External Dimensions

For Research Use Only. Not for use in diagnostic procedures.
This page may contain references to products that are not available in your country.
Please contact us to check the availability of these products in your country.